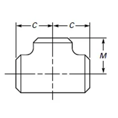
Tee (Equal Tee, Reduced Tee)
Executive Standard: ASME/ANSI B16.9, ASME/ANSI B16.28, MSS-SP-43, MSS-SP-75, DIN2605, JIS B2311/2312/2313, GB12459, GB/T13401, SH3408, SH3409, ISO 3419, ISO 5251,HG/T21635 ,HG/T21631 etc.
Material: WP304, WP304L, WP304/304L WP310S, WP316, WP316L, WP316/WP316L, WP317L, WP321, WP321H, WP347, WP347H, 904L, S31803, S32750, S31760, S31254, INCONEL 625.
Port: Shanghai
Payment Terms: L/C,D/A,D/P,T/T
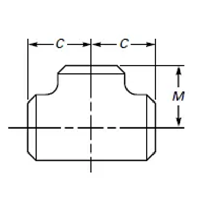
Tee (Equal Tee, Reduced Tee)
Executive Standard: ASME/ANSI B16.9, ASME/ANSI B16.28, MSS-SP-43, MSS-SP-75, DIN2605, JIS B2311/2312/2313, GB12459, GB/T13401, SH3408, SH3409, ISO 3419, ISO 5251,HG/T21635 ,HG/T21631 etc.
Material: WP304, WP304L, WP304/304L WP310S, WP316, WP316L, WP316/WP316L, WP317L, WP321, WP321H, WP347, WP347H, 904L, S31803, S32750, S31760, S31254, INCONEL 625.
Port: Shanghai
Payment Terms: L/C,D/A,D/P,T/T
Dimension:
Seamless: 1/2” to 20” (DN15 ~DN500)
Welded: 1/2” to 48” (DN15~DN1200)
Wall Thickness: SCH5S to SCH160 XS, XXS
Process: Cold & Mandrel Forming
ASME/ANSI B16.28ASME/ANSI B16.9DIN2605
GB/T13401
GB12459
HG/T21631 etc.
HG/T21635
IS0 3419
IS05251
JIS B2311/2312/2313
MSS-SP-43MSS-SP-75
SH3408SH3409Stainless Steel Butt-Welding Fittings Tee JIS B2311/2312/2313